Études de Prix & Offres
Plans de réseaux et réservations
Réunions de synthèse réseaux electriques
Incorporations
Plan de fond de fouille et terre
Zoning d'influence
Bilan de puissance
Maquettage de locaux techniques 3D
Notes de calcul
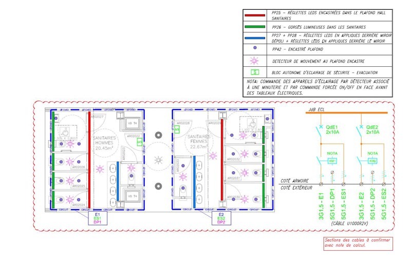
Plans d'implantation des terminaux
Schémas électriques
Synoptiques
Analyse fonctionnelles
Gestion de visas et boite à plan
Diagnostic & Analyse des Réseaux
Réalisation du DOE (Dossier d'Ouvrages Exécutés)

Études de Prix & Offres

Analyse des documents
Quantitatifs détaillés (DQE / BPU)
Sélection des fournisseurs
Détermination du prix de revient

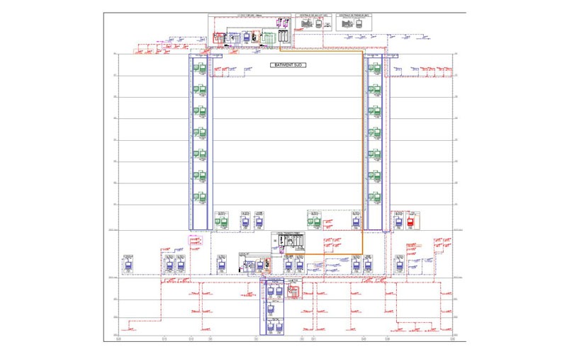
Plans de réseaux et réservations

Dimensionnement, tracé et implantation de chemins de câbles.
Repérage des réseaux et réservations.
Réalisation de calculs techniques pour le dimensionnement des réseaux.

Réunions de synthèse réseaux electriques

Participation aux réunions de synthèse en format BIM ou DWG.
Propositions d'optimisation.
Analyse de parcours, verticalitées, dimensions normalisés des espaces.

Incorporations

Proposition de passage des canalisations à l'intérieur des murs, représentées en détail (passage et direction) sous le format 2D et 3D.
Ce processus permet le passage du câblage électrique (éclairage, détecteurs de présence, contrôles d'accès, vidéosurveillance...)

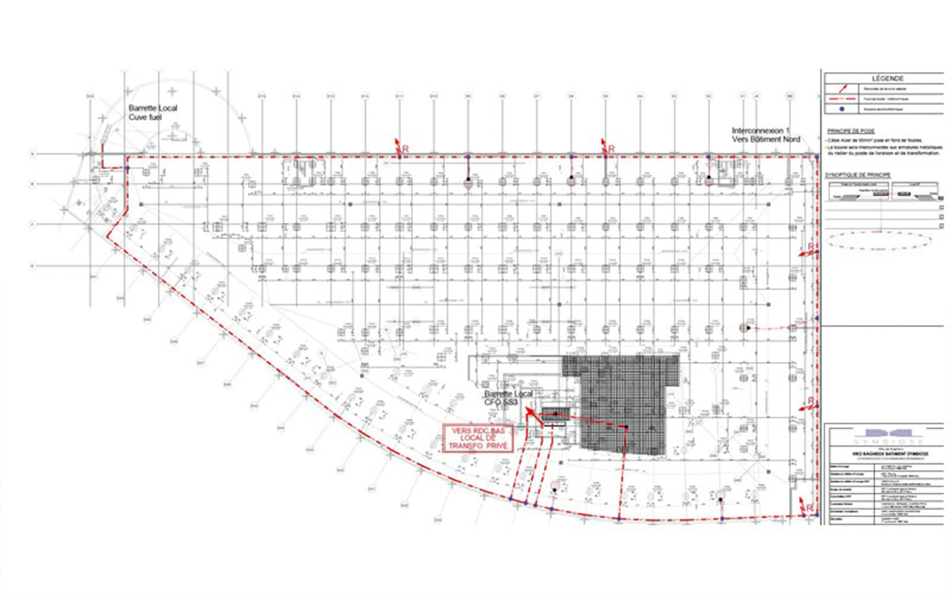
Plan de fond de fouille et terre

Indication du parcours des conducteurs de terre qui se trouvent au Fond de Fouille, ainsi que les points de remontés jusqu'aux locaux techniques.

Zoning d’influence

CFO : Délimitation de la distribution des circuits d'alimentation, issues de chaque armoire électrique pour toutes les zones du bâtiment.
CFA : Délimitation de l’affluence des Baies VDI dans toutes les zones du bâtiment.
SSI : Délimitation des zones protégées par la centrale incendie.

Bilan de puissance

Document exhaustif de la consommation des récepteurs, afin de déterminer la puissance adéquate à installer.

Maquettage de locaux techniques 3D

Modélisation 3D ( BIM ) des éléments électriques ( Armoires, Transfos etc. ), locaux techniques situés dans le bâtiment.

Notes de calcul

Note de calcul BT CANECO.
Note de calcul HT CANECO.
Note de calcul Dialux.
Note de calcul des colonne de branchement ENEDIS,
suivant la norme NF C14-100.
Note de calcul SDI, suivant la norme NF S 61-670 et APSAD R7.
Note de calcul photovoltaïque
Note de calcul bornes IRVE

Plans d’implantation des terminaux

Analyse suivant le cahier des charges et le dossier marché, afin d'indiquer avec précision la position des équipements à installer.

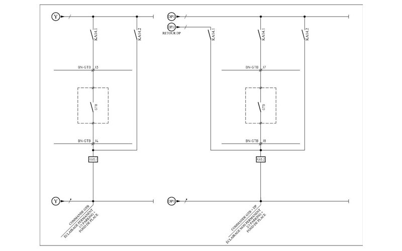
Schémas électriques

Réalisation des schémas unifilaires d’armoire électrique et multifilaires des circuits de commandes.

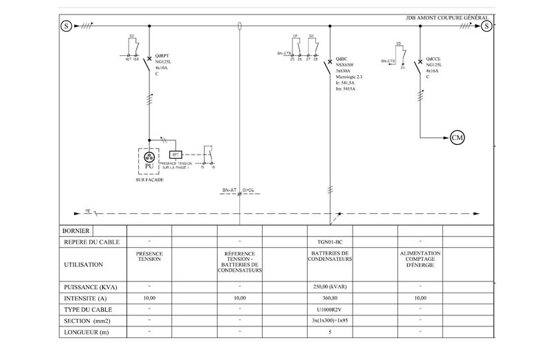
Synoptiques

CFO : Document unifilaire représentatifs de l'ensemble de l'installation électrique: HT, BT, réseau de Terre, principe de Comptage et de commande.
CFA/SSI : Document unifilaire représentatifs de l'ensemble de l'installation Contrôle d’Accès, Videosurveillance, VDI, Interphonie…

Analyse fonctionnelles

Analyse fonctionnelle d'éclairage, du site et SSI : Décrit le fonctionnement de l'alimentation, des commandes d’éclairage ainsi que la détection incendie et désenfumage, à chaque point du bâtiment.

Gestion de visas et boite à plan

Diffusion de documents sur les Plateformes/Boite à Plan ( Cloud ). Analyse et réponse aux avis donnés par les différents viseurs qui vérifie la conformité règlementaire de nos études.

Diagnostic & Analyse des Réseaux

Relevés, mesures et audit de qualité électrique
Identification des harmoniques
Compensation par batteries de condensateurs
Amélioration du cos φ

Réalisation du DOE (Dossier d’Ouvrages Exécutés)

Préparation d’un dossier conforme à l’exécution.